Descrição
Polia rígida nova.
A polia é a responsável por transmitir a energia mecânica para os componentes do alternador, que transformam o movimento em energia elétrica.
Informações Técnicas
| Número de canais | 10 canais |
|---|---|
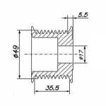
| Diâmetro externo | 57.00 mm |
| Diâmetro do eixo | 17.00 mm |
| Largura da chaveta | Sem chaveta |
| Altura total dos canais | 35.50 mm |
| Altura total | 42.00 mm |
| Diâm. externo canais | 49.00 mm |
Informações do Produto
| Marca fabricante | Unifap |
|---|---|
| Fabricante original | Diversos |
| Conteúdo da embalagem | 1 (uma) polia nova |
Linhas de Aplicação
Marcas e veículos em que este produto é aplicável.
| Linde (máquinas) | Empilhadeiras |
|---|---|
| Volvo (máquinas) | Empilhadeiras |